
閥門知識
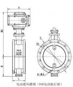
閥門首頁 > 閥門知識 > 上海湖泉 電動蝶閥 有開關型和智能型二種, 蝶閥 與DSR執行機構配套,輸入控制信號(4~20mADC或1~5VDC)及單相電源即可控制運轉,具有功能...
在石油、化工、制藥、化肥、電力行業等領域,氯氣由于其優越的氧化性能,經常在化工反應中被用作氧化劑,同樣由于其劇毒性質被人們...
電動高溫高壓焊接截止閥 如何選型呢? 多回轉閥門電動裝置 ,簡稱為DZW型電裝,是閥門實現開啟、關閉或調節控制的驅動設備。Z型電裝適...
電磁閥 是電磁線圈通電后產生磁力吸引克服彈簧的壓力帶動閥芯動作,就一電磁線圈,結構簡單,價格便宜,只能實現開關; 電動閥 是通過...
一、上海湖泉閥門生產的 電動UPVC球閥 是球閥產品的一種,適用于純水、高低溫之藥液、食品、溫泉水及民生用熱水輸送系統公稱通徑15-1...
1、 電動煙道蝶閥廠家 在非工作時間中,閥門關閉,防止大的灰渣進入管道,保護管道生產的安全及可持續進行。本閥采用與閥體相同材料...
上海湖泉閥門有限公司 常年出售電動閘閥,電動蝶閥,電動球閥及電動截止閥,本著誠信服務于客戶的理念,以優質的服務,優惠的產品價格,...
1、 防爆電動閘閥廠家 礦用防爆電動閘閥廠家 防護等級為IP68,是少數唯一擁有礦用煤安證和防爆證的企業之一。礦用防爆電動閘閥適用于易...
上海湖閥門有限公司電動調節閥故障及維修大匯總: 電動調節閥 又名控制閥,在工業自動化過程控制領域中,通過接受調節控制單元輸出...
閥門 驅動方式的分類 按驅動機構的運動方式, 閥門電動裝置 分為直行程和角行程兩種。 按驅動結構,閥門驅動裝置分為: 閥門傳動方式...